PDF- Martin, Modellen KM180 en KM 200

€12,00 Excl. BTW
€12,72 Incl. BTW
Artikelnummer: PDFmart

Dit is de download versie 
Wanneer je dit ebook besteld ontvang je na je betaling via mail de download instructies.
Je zal dus geen papieren versie van het boek ontvangen.

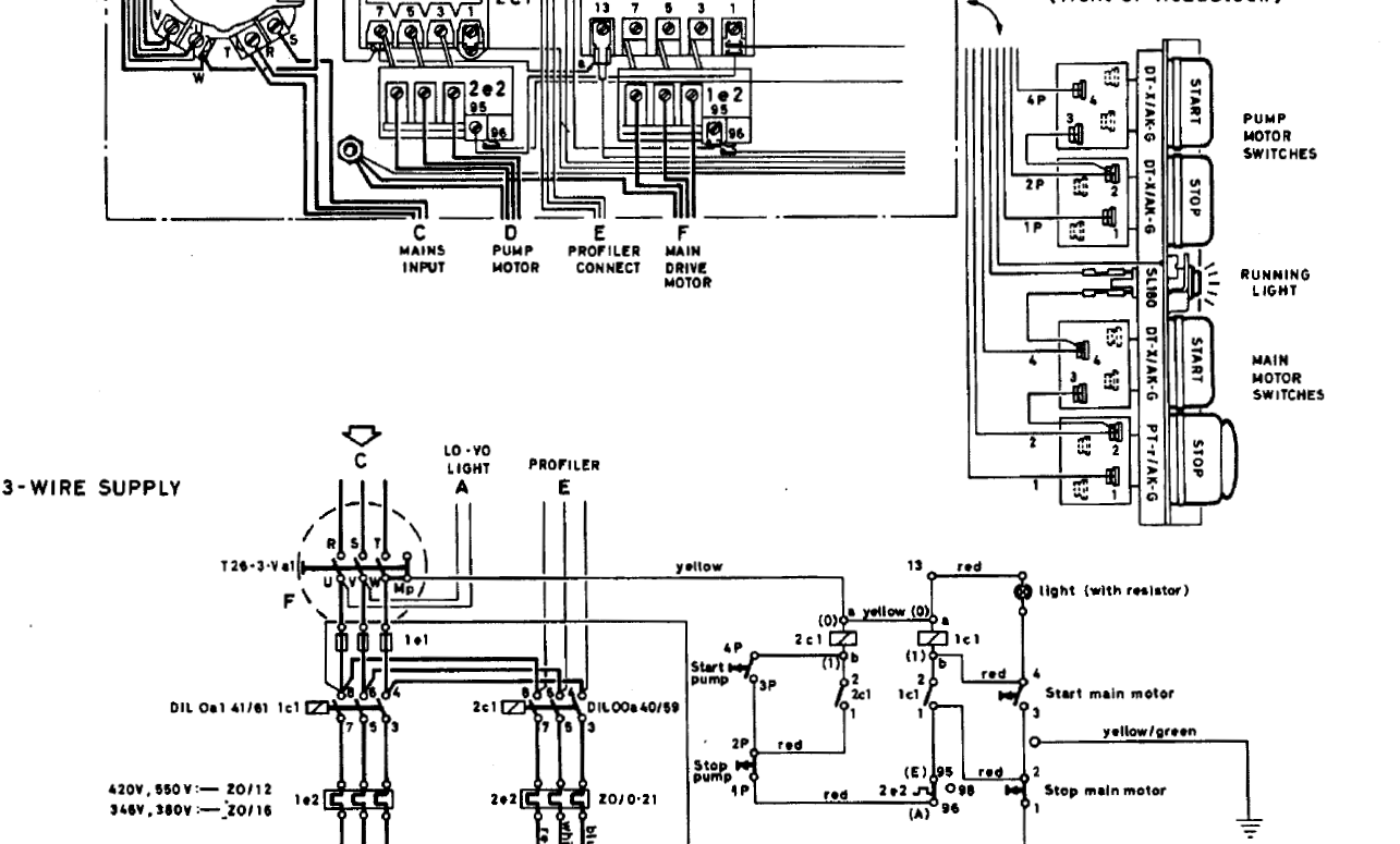
Digitale handleiding PDF- Martin, Modellen KM180 en KM 200

27 pagina's
Taal: Frans
Tekeningen: Nee
Elektrisch plan: Ja
Beschrijving gebruik: Ja
Grootte: 9,8Mb

0 sterren op basis van 0 beoordelingen
Wij slaan cookies op om onze website te verbeteren. Is dat akkoord? Ja Nee Meer over cookies »
← .    ✓ 85% uit voorraad leverbaar ✓ Op werkdagen voor 12u besteld, zelfde dag verzonden ✓ Eigen adviseurs ✓ Naast tooling ook machines ✓Ophalen mogelijk Verbergen